Refuerza el cierre de puertas con un sistema de doble perno compatible para reemplazos estándar sin modificar la instalación.
Beneficios clave
- Doble perno que mejora la firmeza y seguridad del cierre
- Mecanismo de 4 placas para un accionamiento estable
- Medidas y funcionamiento equivalentes a modelos Trabex
- Terminación zincada para mayor resistencia al uso diario
- Alternativa compatible a menor costo para reemplazos directos
¿Para quién es este producto?
- Usuarios que buscan reemplazar una cerradura doble perno existente
- Puertas de madera, aluminio o metal
- Instalaciones residenciales o comerciales livianas
Características técnicas
- Tipo: cerradura doble perno
- Marca: Fuerte (fabricada por Trabex)
- Modelo: 6615
- Línea: seguridad
- Terminación: zincada
- Pestillo: entero
- Mecanismo: 4 placas de combinación
- Tipo de instalación: empotrable
- Dirección: derecha / izquierda
- Tipo de apertura: abatible
- Tipo de cerradura: unidireccional
- Cantidad de llaves: 2
- Garantía de fábrica: 2 años
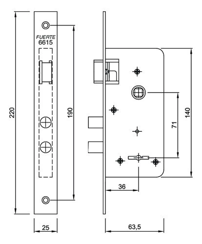
- Medidas de frente: 220 x 25 mm
- Medidas de caja: 140 x 63,5 mm
Compatibilidades / Requisitos
- Compatible con Trabex 6625
- Compatible con Kallay 4002
- Compatible con Andif 858
- Compatible con Prive 205
- Compatible con Roa 1001
- Compatible con Dac 307
Qué incluye el producto
- Cerradura Fuerte modelo 6615
- 2 bocallaves
- 2 llaves de bronce
- 1 frente
Preguntas frecuentes
¿Incluye tornillos de instalación?
No, el producto no incluye tornillos.
¿Es equivalente a una Trabex 6625?
Sí, utiliza las mismas medidas, componentes y funcionamiento.
¿Es reversible el pestillo?
Puede requerir cambio de mano. Se recomienda leer las instrucciones antes de instalar.
Imágenes a modo ilustrativo
CERRADURA DOBLE PERNO FUERTE 6615 IGUAL TRABEX 6625
Refuerza el cierre de puertas con un sistema de doble perno compatible para reemplazos estándar sin modificar la instalación.
Beneficios clave
- Doble perno que mejora la firmeza y seguridad del cierre
- Mecanismo de 4 placas para un accionamiento estable
- Medidas y funcionamiento equivalentes a modelos Trabex
- Terminación zincada para mayor resistencia al uso diario
- Alternativa compatible a menor costo para reemplazos directos
¿Para quién es este producto?
- Usuarios que buscan reemplazar una cerradura doble perno existente
- Puertas de madera, aluminio o metal
- Instalaciones residenciales o comerciales livianas
Características técnicas
- Tipo: cerradura doble perno
- Marca: Fuerte (fabricada por Trabex)
- Modelo: 6615
- Línea: seguridad
- Terminación: zincada
- Pestillo: entero
- Mecanismo: 4 placas de combinación
- Tipo de instalación: empotrable
- Dirección: derecha / izquierda
- Tipo de apertura: abatible
- Tipo de cerradura: unidireccional
- Cantidad de llaves: 2
- Garantía de fábrica: 2 años
- Medidas de frente: 220 x 25 mm
- Medidas de caja: 140 x 63,5 mm
Compatibilidades / Requisitos
- Compatible con Trabex 6625
- Compatible con Kallay 4002
- Compatible con Andif 858
- Compatible con Prive 205
- Compatible con Roa 1001
- Compatible con Dac 307
Qué incluye el producto
- Cerradura Fuerte modelo 6615
- 2 bocallaves
- 2 llaves de bronce
- 1 frente
Preguntas frecuentes
¿Incluye tornillos de instalación?
No, el producto no incluye tornillos.
¿Es equivalente a una Trabex 6625?
Sí, utiliza las mismas medidas, componentes y funcionamiento.
¿Es reversible el pestillo?
Puede requerir cambio de mano. Se recomienda leer las instrucciones antes de instalar.
Imágenes a modo ilustrativo
Productos similares
| 2 cuotas de $12.330,00 sin interés | CFT: 0,00% | TEA: 0,00% | Total $24.660,00 |
| 3 cuotas de $8.220,00 sin interés | CFT: 0,00% | TEA: 0,00% | Total $24.660,00 |
| 1 cuota de $24.660,00 sin interés | CFT: 0,00% | TEA: 0,00% | Total $24.660,00 |
| 2 cuotas de $14.660,37 | Total $29.320,74 | |
| 3 cuotas de $10.090,05 | Total $30.270,15 | |
| 6 cuotas de $5.592,06 | Total $33.552,40 | |
| 9 cuotas de $4.159,04 | Total $37.431,41 | |
| 12 cuotas de $3.380,26 | Total $40.563,23 | |
| 24 cuotas de $2.466,00 | Total $59.184,00 |
| 3 cuotas de $10.507,62 | Total $31.522,88 | |
| 6 cuotas de $5.786,88 | Total $34.721,28 |
| 3 cuotas de $10.616,95 | Total $31.850,86 | |
| 6 cuotas de $5.828,39 | Total $34.970,35 | |
| 9 cuotas de $4.361,25 | Total $39.251,32 | |
| 12 cuotas de $3.571,79 | Total $42.861,55 |
| 18 cuotas de $2.745,89 | Total $49.426,04 |
DESCUENTOS PARA VOS
¡Tenemos ofertas todos los días!
ENVÍOS A TODO EL PAÍS
Te llega a donde vos quieras.
CONTACTÁNOS POR WHATSAPP
Te garantizamos una atención personalizada.
DESCUENTOS PARA VOS
¡Tenemos ofertas todos los días!
ENVÍOS A TODO EL PAÍS
Te llega a donde vos quieras.
CONTACTÁNOS POR WHATSAPP
Te garantizamos una atención personalizada.

